网站首页
关于我们
新闻资讯
服务项目
人力资源
联系我们
服务项目
service
公司信息
公司信息
水质情况
水质情况
法律法规
法律法规
视频中心
视频中心
联系电话
0722-3311168
当前位置:
随州污水处理厂
>
服务项目
>
水质情况
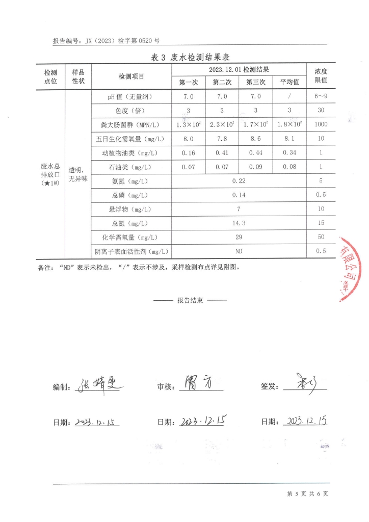
景新环保检测报告2023年12月份
2024-02-21 16:41:50 来源:
相关热词搜索:
上一篇:
景新环保检测报告2023年11月份
下一篇:
湖北维克昇检测报告2024年1月份